![]()
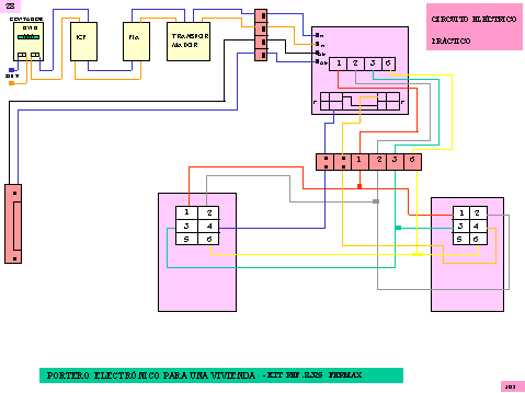
COMPRENDE : LOS COMPONENTES DEL KIT REF. 8.325
.-Placa dos líneas.
.-Dos teléfonos.
.-Un alimentador con salida 12 V. ~
.-Una cerradura.
.-Un interfono.
INTERFONO:
.-Transformador.
.-Circuito rectificador.
.-Interfonos.
.-Teléfonos.
ESQUEMA:

DESARROLLO:
TRABAJO: EXPLICACIÓN:
- Presentación: - Desarrollo:
- Funcionamiento:
- Presentación:
TOTAL:
Publicado con autorización del autor: Jesús Hernández
| Página principal | Circuitos eléctricos | Arriba | Anterior | Siguiente |
| Formación: Mantener el amor | Otros: La familia |
®Arturo Ramo García.-Registro de Propiedad Intelectual
de Teruel nº 141, de 29-IX-1999
Plaza Playa de Aro, 3, 1º DO 44002-TERUEL